SKF YAR207-2RF-VE495 Yedek Parça (Dış Çap 72mm - Genişlik 42,90 mm)
Yorum Yap / Yorumları Oku
4.915,08 TL
SKF YAR207-2RF-VE495 Yedek Parça
SKF YAR207-2RF-VE495 Yedek Parça, Endüstriyel Uygulamalarda Güvenilir Performans Sunmak Üzere Tercih Edilen Bir Üründür.
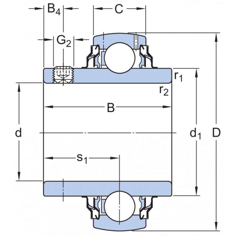
Özellikler
- Yükseklik: 42,90 mm
- İç Çap: 35mm
- Dış Çap: 72mm
- Ağırlık: 450g
- Delik Çapı: d / 35 / mm
- Genişlik İç Halka: B / 42,90 / mm
- Dış Çap İç Halka: da / ≈46,1
- Pah Boyutu: rmin / min.1
- Dış Çap: d2 / 72 / mm
- Genişlik Dış Halka: C / 19 / mm
- Kilitleme Cihazının Yan Yüzünden Diş Merkezine Olan Mesafe: B4 / 6 / mm
- Kilitleme Cihazı Yan Yüzünden Yuvarlanma Yolu Merkezine Olan Mesafe: s1 / 25,40 / mm
Kullanım Alanları
- Endüstriyel Bakım Ve Onarım Uygulamaları
- Makine Ve Ekipman Yedek Parça İhtiyaçları
- Otomasyon Ve Mekanik Sistemler
Avantajları
- Orijinal SKF Kalitesi
- Yüksek Dayanım Ve Uzun Ömür
- Hassas Ölçü Ve Güvenilir Performans
- Kolay Montaj Ve Uyumlu Yapı
- Bakım Maliyetlerini Azaltmaya Yardımcı
Açıklama: Teknik Ölçüler Ve Değerler Montaj Öncesi Uygulamanızla Karşılaştırılarak Doğrulanmalıdır.
Bu ürüne ilk yorumu siz yapın!
