SKF YAR206-2RF-VE495 Yedek Parça (Dış Çap 62mm - Genişlik 38,10 mm)
Yorum Yap / Yorumları Oku
3.131,46 TL
SKF YAR206-2RF-VE495 Yedek Parça
SKF YAR206-2RF-VE495 Yedek Parça, Endüstriyel Uygulamalarda Güvenilir Performans Sunmak Üzere Tercih Edilen Bir Üründür.
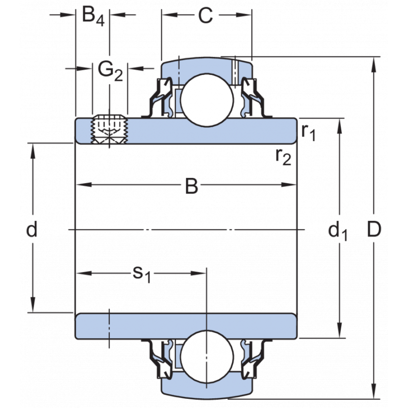
Özellikler
- Yükseklik: 38,10 mm
- İç Çap: 30mm
- Dış Çap: 62mm
- Ağırlık: 310g
- Delik Çapı: d / 30 / mm
- Genişlik İç Halka: B / 38,10 / mm
- Dış Çap İç Halka: da / ≈39,7
- Pah Boyutu: rmin / min.0,6
- Dış Çap: d2 / 62 / mm
- Genişlik Dış Halka: C / 18 / mm
- Kilitleme Cihazının Yan Yüzünden Diş Merkezine Olan Mesafe: B4 / 5 / mm
- Kilitleme Cihazı Yan Yüzünden Yuvarlanma Yolu Merkezine Olan Mesafe: s1 / 22,20 / mm
Kullanım Alanları
- Endüstriyel Bakım Ve Onarım Uygulamaları
- Makine Ve Ekipman Yedek Parça İhtiyaçları
- Otomasyon Ve Mekanik Sistemler
Avantajları
- Orijinal SKF Kalitesi
- Yüksek Dayanım Ve Uzun Ömür
- Hassas Ölçü Ve Güvenilir Performans
- Kolay Montaj Ve Uyumlu Yapı
- Bakım Maliyetlerini Azaltmaya Yardımcı
Açıklama: Teknik Ölçüler Ve Değerler Montaj Öncesi Uygulamanızla Karşılaştırılarak Doğrulanmalıdır.
Bu ürüne ilk yorumu siz yapın!
