SKF YAR 208-2RF/W64 Radyal Geçmeli Bilyalı Rulmanlar (Dış Çap 80mm - Genişlik 49,20 mm)
Yorum Yap / Yorumları Oku
15.294,96 TL
Kategori
Stok Kodu
SKF YAR 208-2RF/W64
Stok Durumu
Stok Var
Fiyat
283,24 USD + KDV
SKF YAR 208-2RF/W64 Radyal Geçmeli Bilyalı Rulmanlar
SKF YAR 208-2RF/W64 Radyal Geçmeli Bilyalı Rulmanlar, Endüstriyel Uygulamalarda Güvenilir Performans Sunmak Üzere Tercih Edilen Bir Üründür.
Özellikler
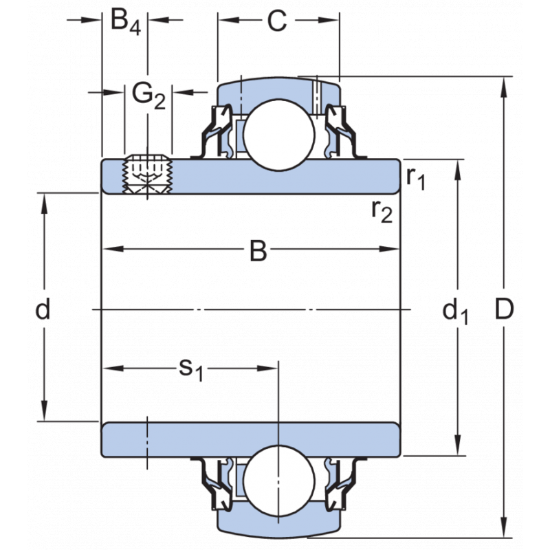
- Genişlik: 49,20 mm
- İç Çap: 40mm
- Dış Çap: 80mm
- Ağırlık: 610g
- Delik Çapı: d / 40 / mm
- Genişlik İç Halka: B / 49,20 / mm
- Dış Çap İç Halka: da / ≈51,8
- Pah Boyutu: rmin / min.1
- Dış Çap: d2 / 80 / mm
- Genişlik Dış Halka: C / 21 / mm
- Kilitleme Cihazının Yan Yüzünden Diş Merkezine Olan Mesafe: B4 / 8 / mm
- Kilitleme Cihazının Yan Yüzünden Yuvarlanma Yolu Merkezine Olan Mesafe: s1 / 30,20 / mm
Kullanım Alanları
- Endüstriyel Makinalar Ve Otomasyon Hatları
- Elektrik Motorları Ve Redüktör Sistemleri
- Pompa, Fan Ve Kompresör Uygulamaları
- Konveyör, Makaralı Sistemler Ve Şanzımanlar
- Tarım, İnşaat Ve Genel Mekanik Uygulamalar
Avantajları
- Orijinal SKF Kalitesi
- Yüksek Dayanım Ve Uzun Ömür
- Hassas Ölçü Ve Güvenilir Performans
- Kolay Montaj Ve Uyumlu Yapı
- Bakım Maliyetlerini Azaltmaya Yardımcı
Açıklama: Teknik Ölçüler Ve Değerler Montaj Öncesi Uygulamanızla Karşılaştırılarak Doğrulanmalıdır.
Bu ürüne ilk yorumu siz yapın!
