SKF YAR 205-2RF/W64F Radyal Geçmeli Bilyalı Rulmanlar (Dış Çap 52mm - Genişlik 34,10 mm)
Yorum Yap / Yorumları Oku
7.365,60 TL
Kategori
Stok Kodu
SKF YAR 205-2RF/W64F
Stok Durumu
Stok Var
Fiyat
136,40 USD + KDV
SKF YAR 205-2RF/W64F Radyal Geçmeli Bilyalı Rulmanlar
SKF YAR 205-2RF/W64F Radyal Geçmeli Bilyalı Rulmanlar, Endüstriyel Uygulamalarda Güvenilir Performans Sunmak Üzere Tercih Edilen Bir Üründür.
Özellikler
- Genişlik: 34,10 mm
- İç Çap: 25mm
- Dış Çap: 52mm
- Ağırlık: 190g
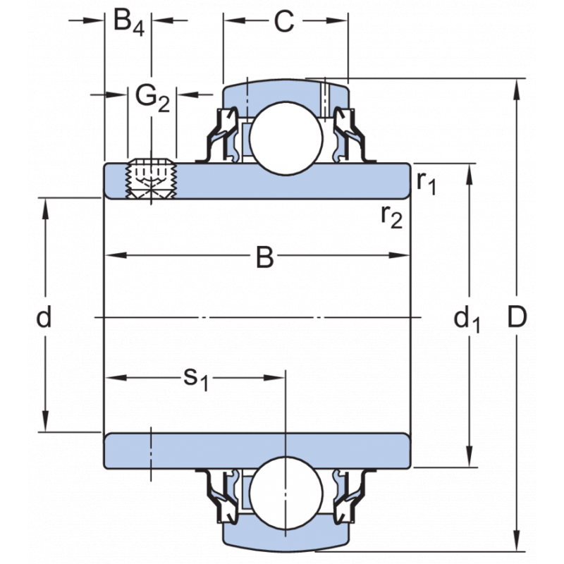
- Delik Çapı: d / 25 / mm
- Genişlik İç Halka: B / 34,10 / mm
- Dış Çap İç Halka: da / ≈33,74
- Pah Boyutu: rmin / min.0,6
- Dış Çap: d2 / 52 / mm
- Genişlik Dış Halka: C / 15 / mm
- Kilitleme Cihazının Yan Yüzünden Diş Merkezine Olan Mesafe: B4 / 5 / mm
- Kilitleme Cihazı Yan Yüzünden Yuvarlanma Yolu Merkezine Olan Mesafe: s1 / 19,80 / mm
Kullanım Alanları
- Endüstriyel Makinalar Ve Otomasyon Hatları
- Elektrik Motorları Ve Redüktör Sistemleri
- Pompa, Fan Ve Kompresör Uygulamaları
- Konveyör, Makaralı Sistemler Ve Şanzımanlar
- Tarım, İnşaat Ve Genel Mekanik Uygulamalar
Avantajları
- Orijinal SKF Kalitesi
- Yüksek Dayanım Ve Uzun Ömür
- Hassas Ölçü Ve Güvenilir Performans
- Kolay Montaj Ve Uyumlu Yapı
- Bakım Maliyetlerini Azaltmaya Yardımcı
Açıklama: Teknik Ölçüler Ve Değerler Montaj Öncesi Uygulamanızla Karşılaştırılarak Doğrulanmalıdır.
Bu ürüne ilk yorumu siz yapın!
