SKF UCX 08 Radyal Geçmeli Bilyalı Rulmanlar (Dış Çap 57.30mm - Genişlik 49,20 mm)
Yorum Yap / Yorumları Oku
2.318,22 TL
Kategori
Stok Kodu
SKF UCX 08
Stok Durumu
Stok Var
Fiyat
42,93 USD + KDV
SKF UCX 08 Radyal Geçmeli Bilyalı Rulmanlar
SKF UCX 08 Radyal Geçmeli Bilyalı Rulmanlar, Endüstriyel Uygulamalarda Güvenilir Performans Sunmak Üzere Tercih Edilen Bir Üründür.
Özellikler
- Genişlik: 49,20 mm
- İç Çap: 40mm
- Dış Çap: 57.30mm
- Ağırlık: 800g
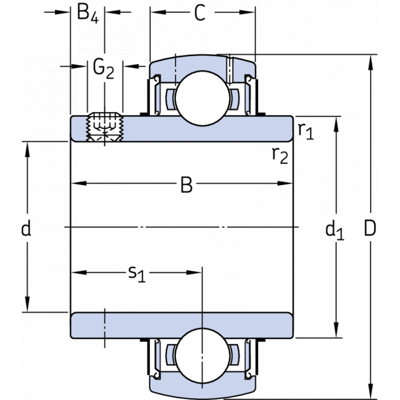
- Delik Çapı: d / 40 / mm
- İç Halkanın Genişliği: B / 49,20 / mm
- İç Halkanın Dış Çapı: d1 / ≈57,3
- İç Bileziğin Pah Boyutu: r1,2 / min.2
- Dış Çap: d2 / 85 / mm
- Dış Halkanın Genişliği: C / 22 / mm
- Yüzün İplik Merkezine Olan Mesafesi: B4 / 8 / mm
- Kilitleme Cihazının Yan Yüzünden Yuvarlanma Yolu Merkezine Olan Mesafe: s1 / 30,20 / mm
Kullanım Alanları
- Endüstriyel Makinalar Ve Otomasyon Hatları
- Elektrik Motorları Ve Redüktör Sistemleri
- Pompa, Fan Ve Kompresör Uygulamaları
- Konveyör, Makaralı Sistemler Ve Şanzımanlar
- Tarım, İnşaat Ve Genel Mekanik Uygulamalar
Avantajları
- Orijinal SKF Kalitesi
- Yüksek Dayanım Ve Uzun Ömür
- Hassas Ölçü Ve Güvenilir Performans
- Kolay Montaj Ve Uyumlu Yapı
- Bakım Maliyetlerini Azaltmaya Yardımcı
Açıklama: Teknik Ölçüler Ve Değerler Montaj Öncesi Uygulamanızla Karşılaştırılarak Doğrulanmalıdır.
Bu ürüne ilk yorumu siz yapın!
