SKF NUKR90 Saplama Tipi Palet Makaraları (Dış Çap 47mm - Genişlik 100mm)
Yorum Yap / Yorumları Oku
10.545,12 TL
Kategori
Stok Kodu
SKF NUKR90
Stok Durumu
Stok Var
Fiyat
195,28 USD + KDV
SKF NUKR90 Saplama Tipi Palet Makaraları
SKF NUKR90 Saplama Tipi Palet Makaraları, Endüstriyel Uygulamalarda Güvenilir Performans Sunmak Üzere Tercih Edilen Bir Üründür.
Özellikler
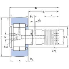
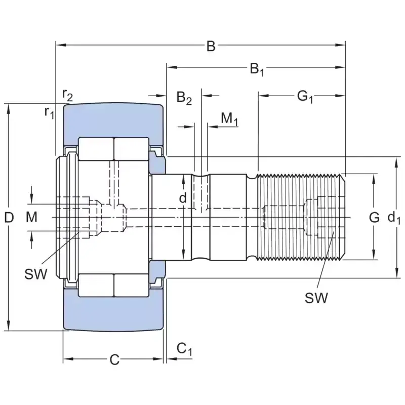
- Genişlik: 100mm
- İç Çap: 30mm
- Dış Çap: 47mm
- Ağırlık: 1,96 kg
- Pah Boyutu: rmin / min.1.1
- Yağlama Deliğinin Çapı (Sap): M1 / 4 / mm
- Diş Uzunluğu: G1 / 32 / mm
- Dış Çap Flanş Halkası: d1 / 47 / mm
- Yağlama Deliğinin Flanş Halkasına Mesafesi: B2 / 15 / mm
- Genişlik Dış Halka: C / 35 / mm
- Bağlantı Çapı: d / 30 / mm
- Daireler Arası Genişlik: SW / 14 / mm
Kullanım Alanları
- Endüstriyel Bakım Ve Onarım Uygulamaları
- Makine Ve Ekipman Yedek Parça İhtiyaçları
- Otomasyon Ve Mekanik Sistemler
Avantajları
- Orijinal SKF Kalitesi
- Yüksek Dayanım Ve Uzun Ömür
- Hassas Ölçü Ve Güvenilir Performans
- Kolay Montaj Ve Uyumlu Yapı
- Bakım Maliyetlerini Azaltmaya Yardımcı
Açıklama: Teknik Ölçüler Ve Değerler Montaj Öncesi Uygulamanızla Karşılaştırılarak Doğrulanmalıdır.
Bu ürüne ilk yorumu siz yapın!
