SKF 7210 CD-GB/PA9A Mil Yatakları (Dış Çap 90mm - Genişlik 20mm)
Yorum Yap / Yorumları Oku
55,19 TL
SKF 7210 CD-GB/PA9A Mil Yatakları
SKF 7210 CD-GB/PA9A Mil Yatakları, Endüstriyel Uygulamalarda Güvenilir Performans Sunmak Üzere Tercih Edilen Bir Üründür.
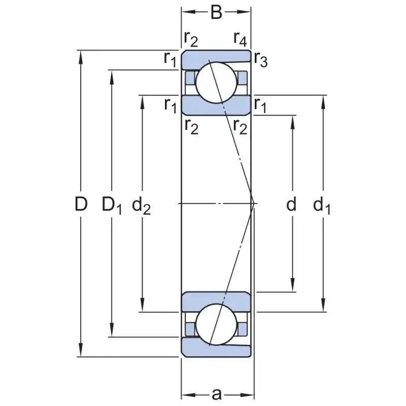
Özellikler
- Genişlik: 20mm
- İç Çap: 50mm
- Dış Çap: 90mm
- Ağırlık: 460g
- Yan Yüzden Basınç Noktasına Olan Mesafe: a / 19,40 / mm
- Pah Boyutu (Büyük Yan Yüz): r1,2 / min.1.1
- İç Bileziğin Omuz Çapı (Küçük Yan Yüz): d2 / 62,30 / mm
- Genişlik: B / 20 / mm
- Delik Çapı: d / 50 / mm
- Pah Boyutu (Küçük Yan Yüz): r3,4 / min.0,6
- Dış Halkanın Omuz Çapı (Büyük Yan Yüz): D1 / 77,70 / mm
- İç Bileziğin Omuz Çapı (Büyük Yan Yüz): d1 / 62,30 / mm
Kullanım Alanları
- Endüstriyel Bakım Ve Onarım Uygulamaları
- Makine Ve Ekipman Yedek Parça İhtiyaçları
- Otomasyon Ve Mekanik Sistemler
Avantajları
- Orijinal SKF Kalitesi
- Yüksek Dayanım Ve Uzun Ömür
- Hassas Ölçü Ve Güvenilir Performans
- Kolay Montaj Ve Uyumlu Yapı
- Bakım Maliyetlerini Azaltmaya Yardımcı
Açıklama: Teknik Ölçüler Ve Değerler Montaj Öncesi Uygulamanızla Karşılaştırılarak Doğrulanmalıdır.
Bu ürüne ilk yorumu siz yapın!
