Açılışa Özel
Fiyatlar!
Bayimiz Olun!
Bayi Girişi
WHATSAPP SİPARİŞ
Bize Ulaşın :
0212 347 68 27
Hakkımızda
İletişim
Kargo Takibi
ARA
Üye Girişi
Hoş Geldiniz
Hızlı ve güvenli alışverişe giriş yapın!
Beni Hatırla
Şifremi Unuttum
Giriş Yap
Henüz Üye Değil Misiniz?
Kolayca üye olabilirsiniz!
Hemen Üye Ol
Facebook ile Bağlan
Google ile Bağlan
Apple ile Bağlan
Sepetim
TÜM KATEGORİLER
Bakım Ürünleri
Heaters For Mounting And Dismounting
Hizalama Ekipmanları
Hydraulic Tools For Mounting And Dismounting
Hydraulic Nuts
Mechanical Tools For Mounting And Dismounting
Bearing-pullers
Cer Dişli Rulmanlar
Durum Izleme Sistemleri
Basic-condition-monitoring-products
Vibration-measurement
Continuous Monitoring
On-line-monitoring
Wireless
Sensors
Sensor Aksesuarlar
Vibration Sensors
Taşınabilir Durum Izleme
Endüstriyel Keçeler
Hydraulic Keçeler
Guide Rings And Guide Strips
Piston Keçeler
Rod And Buffer Keçeler
Wiper Keçeler
Power Transmission Keçeler
Cassette Keçeler
Radial Shaft Keçeler
Sealing And Spacing Washers
Track Pin Keçeler
V-ring Keçeler
Güç Aktarım Çözümleri
Burçlar And Hubs
Keyless Burçlar
QD Burçlar
SH Burçlar
Taper Burçlar
Kaplinler
Flex Kaplinler
FRC Kaplinler
Gear Kaplinler
Grid Kaplinler
Jaw Kaplinler
Kayışlar
Lawn And Garden Kayışlar
Ribbed Kayışlar
Timing Kayışlar
V-Kayışlar
Pulleys
Timing Belt Pulleys
V-belt Pulleys
Sprockets
ANSI Roller Chain Sprockets
Metric Roller Chain Sprockets
Zincirler
Conveyor Zincirler
Leaf Zincirler
Transmission Zincirler
Hidrolik
Direksiyon Beyinleri
Emniyet Valfleri (Boaşaltmalı Tip)
BG-03-3-30
BSG-03-2B2
BST-06-2B3-B
DB Serisi
DBW...A1 N.K
DBW...B1 N.A
Hidrolik Pompalar
Değişken Debili
Paletli Pompa
Hidrolik Valf Bobinleri
Hidromotorlar
Kol Kumandalı Yön Valfi
NG10 Kol Kumandalı Yön Valfi
NG6 Kol Kumandalı Yön Valfi
Kumanda Kolları
Oransal Valfler
Soğutucular / Yağ Soğutucu
Sulu Soğutucular
Vakum Teknolojisi
Dijital Vakummetre
Vakum Çek Valf
Vakum filitreleri
Vakum Pompaları
Vantuz Çeşitleri
Yardımcı Valfler
Basınç Düşürücü vallfler
Basınç Emniyet Valfleri
Basınç Şartelleri
Çabuk Eksoz Valfi
Çek Valf
Dişi Diş Slayt Valfler
Erkek Dişli Slayt Valf
Hassas Hız Ayar Valfleri
Hat Tipi Çabuk Eksoz Valfi
Hız Ayar Valfi
Hız Ayar Valfi (Çelik)
Modüler Basınç Ayar valfleri
Sıvı Transfer Ünitesi
Veya Valf
Yön Valfleri
4WE10 Serisi Valfler
4WE6 Serisi Valfler
4WEH16 Serisi Valf
4WEH25 Serisi Valf
4WEH32 Serisi Valf
DSG Series NG6 Valves
Anasayfa
Rulman
Bilyalı Rulmanlar
Muhafazalar, Ek Parçalar ve Montajlı Rulmanlar
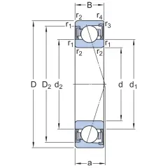
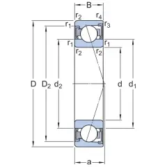
Eğik Bilyalı Rulman
Monteli Üniteler
Eğik Bilyalı Rulman
Döküm yataklı rulman - 4 cıvata
FİLTRELE
SIRALA
Stoktakiler
Toplam 2454 ürün
Önerilen sıralama
En düşük fiyat
En yüksek fiyat
Çok değerlendirilenler
Yüksek puanlılar
İndirim oranı
Yeni eklenenler
SKF
SKF S7011 CDGA/HCP4A Eğik Bilyalı Rulman (Dış Çap 90mm - Genişlik 18mm)
29.805,68 TL
Sepete Ekle
SKF
SKF 7006ACEGA/HCP4A Eğik Bilyalı Rulman (Dış Çap 55mm - Genişlik 13mm)
17.697,37 TL
Sepete Ekle
SKF
SKF S71908 ACDGA/P4A Eğik Bilyalı Rulman (Dış Çap 62mm - Genişlik 12mm)
11.672,96 TL
Sepete Ekle
SKF
SKF 7004 ACD/P4ADGB Eğik Bilyalı Rulman (Dış Çap 42mm - Genişlik 24mm)
25.139,00 TL
Sepete Ekle
SKF
SKF 7005 CE/HCP4ADGA Eğik Bilyalı Rulman (Dış Çap 47mm - Genişlik 24mm)
33.487,34 TL
Sepete Ekle
SKF
SKF S7004 CE/HCP4ADBA Eğik Bilyalı Rulman (Dış Çap 42mm - Genişlik 24mm)
17.543,38 TL
Sepete Ekle
SKF
SKF 7009 CD/P4ADFAGMM Eğik Bilyalı Rulman (Dış Çap 75mm - Genişlik 32mm)
15.319,66 TL
Sepete Ekle
SKF
SKF S7014-ACD-GA/VQ6251 Eğik Bilyalı Rulman (Dış Çap 110mm - Genişlik 20mm)
24.020,87 TL
Sepete Ekle
SKF
SKF S7014 ACD-GC/P4A Eğik Bilyalı Rulman (Dış Çap 110mm - Genişlik 20mm)
24.021,40 TL
Sepete Ekle
SKF
SKF 71910ACD/P4ADGB Eğik Bilyalı Rulman (Dış Çap 72mm - Genişlik 24mm)
23.788,58 TL
Sepete Ekle
SKF
SKF 71904 CD/P4ADBB Eğik Bilyalı Rulman (Dış Çap 37mm - Genişlik 18mm)
10.323,07 TL
Sepete Ekle
SKF
SKF S71904 CEGA/HCP4A Eğik Bilyalı Rulman (Dış Çap 37mm - Genişlik 9mm)
16.735,32 TL
Sepete Ekle
1
..
23
24
25
26
27
..
205
Merhaba! 👋
Sorularınız için bize yazabilirsiniz...
WhatsApp ile Sohbet Et
IdeaSoft
®
|
E-Ticaret
paketleri ile hazırlanmıştır.